SW181直流接触器

您的位置 : 网站首页 > 产品中心 > 主触头一常开一常闭直流接触器系列 > SW181直流接触器
SW181
SW181
  • SW181
型号:SW181直流接触器
  • 线圈额定电压(V)

    6-240

  • 主触点额定电流(A)

    150A

联系电话:021-55560736
ZJ-50D直流接触器

产品介绍

Product introduction

产品用途


SW150设计用于切换不间断电流负载的电信和配电应用。这些接触器主要用于直流负载,但也可用于交流电流。

SW150采用双合金主触头,银合金尖端,耐焊接,耐磨,导电性能优异。主触点上的镀银是SW150的标准配置,但是可选择将其排除在规格之外。SW150是一款紧凑型接触器,可垂直或水平安装母线,如果垂直安装,则线圈应位于底部。如果顶部需要线圈,我们可以调整接触器以补偿这一点。


技术数据
线路原理图
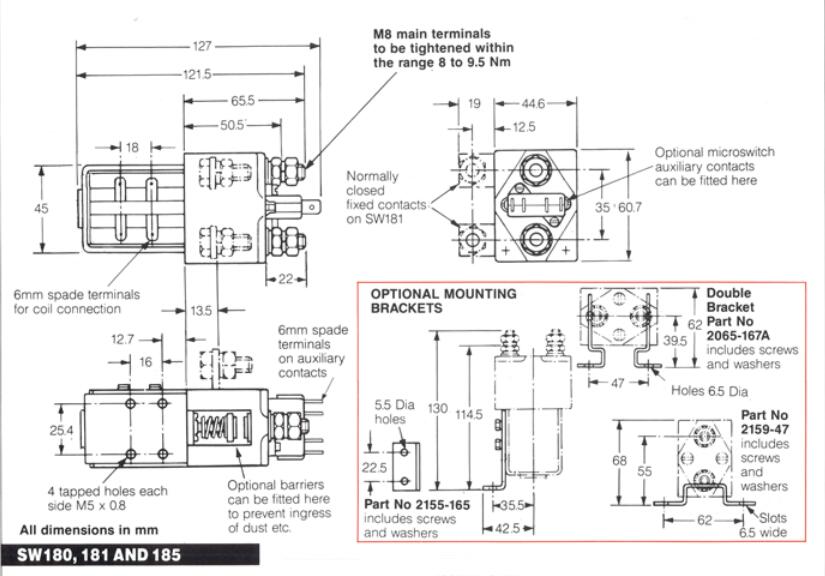
外形尺寸图
SW181直流接触器
  • 邮  箱:cnhgq@foxmail.com 邮  编:201206
  • 厂  址:上海市曹路钦塘工业园钦塘东南1号 销售地址:上海浦东新区外高桥华申路150号2幢
  • © Copyright JOSEF Inc. All rights reserved.沪ICP备08020013号